金诺 · 减振器制造厂家致力于减振隔音抗震解决方案服务

金诺服务热线400-116-0098 金诺服务热线18913067660

金诺5000+客户携手同行

通风设备冷水机组和空调机组的减振措施

返回列表 来源: 发布日期: 2022.02.24

目前,通风空调系统采用水泵、风机和大型制冷设备,运行振动程度不同。施工中应采用有效的减振方法,防止振动损坏设备、基础和管道。本文介绍了施工中最常见的减振方法和施工技能。

设备的减振:

通风空调系统设备较多,振动程度或强或弱,一般带旋转机构的设备需要减振。

这些设备主要有以下几种:

冷水机组及空调机组减振

由于冷水机组和空调机组都有一定的减振措施,机组的振动强度一般,实际施工主要采用两种减振方法:

(1)SD型橡胶垫减振

SD橡胶减为弹性材料的SD橡胶减振垫通过硫化硫化表面可降低减振垫的垂直刚度。为提高减振效果,可串联使用多层减振垫,用金属板隔开各层。SD型橡胶减振垫采用优质橡胶为材料,有圆形凹陷镂空、剪切瓦楞形。一般以剪切形式为主,具有固有频率低、结构简单、使用方便。为了提高减振效果可将减振垫适合二层、三层、四层串联使用。适用于水泵、风机、压缩机、冷水机组、柴油机组等机械设备消极减振。

橡胶减振垫适用于设备与基础接触面较大的设备减振,


sd橡胶减震垫

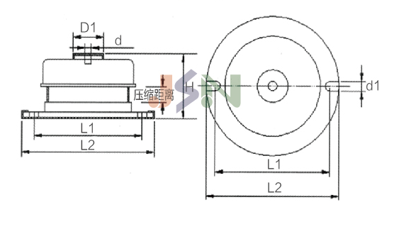
(2)ZTA型低频大载荷阻尼弹簧减振器

该减振器由大直径组合弹簧、阻尼套、上下橡胶摩擦减振垫、壳体上下橡胶复合垫等组成。它具有固有频率低、减振效率高、载荷大、稳定性好的特点,特别是对固体传声隔离效果明显,安装方便。在-40~110℃的环境下正常工作。固有频率为1.8~3.6Hz,阻尼比为0.05~0.065。

ZTA型低频大载荷阻尼弹簧减振器的受力范围。

根据机组的重量,选择相应型号和数量的减振器均匀布置在机组支架和基础之间。如果机组有明显的偏差,减振器的间距和数量可以根据重量进行调整,以达到最佳的减振效果。

减振器的质量问题很容易出现:①减振弹簧罩与底座的不同心脏和歪头现象,导致安装后减振器力不平衡,长期运行可能导致设备从减振器上滑动。②减振器上下橡胶垫脱落或丢失,导致减振器与基础摩擦小。随着设备的振动,设备、减振器和设备基础相互滑动,也会导致设备滑动。

ZTA阻尼弹簧减振器

水泵减振

一般水泵转速高,振动剧烈,所以水泵的减振是各种设备减振中最典型的。卧式离心式水泵有两种减振方法:

(1)采用减振台座加橡胶减振垫的形式,见图。

在这种减振方法中,主要依靠混凝土减振台的大质量。减震台座的质量直接关系到减震效果的质量,因此应根据设计尺寸进行预制减震台座。同时,预制台座时应预埋吊钩,以便吊装减震台座。安装橡胶垫后,除去吊钩。预制减震台座时,应预埋与水泵地脚螺栓连接的钢板。地脚螺栓间距、螺栓尺寸和螺栓的高度可根据水泵样品上的尺寸确定。


减振台座

水泵安装减震台座

风机减振

与水泵类似,风机对减振的要求也很高。减振风扇不仅可以防止振动损坏基础和风管,还可以防止和抑制部分噪声。

JG型橡胶减振器由金属件及橡胶体粘贴而成,其弹性体采用轴对称环状剪切型结构,本系列产品分4种尺寸结构,10种承载规格,轴向承受额定载荷从10~1280kg,阻尼比大于0.06,对共振的抑制力强。该减振器外形美观,结构紧凑,与同类型相同规格的隔振器相比结构尺寸小,重量轻,安装更换方便,工作安全可靠,能在-5℃~+50℃范围内保持正常工作。JG减振器对800r/min以上回转及往复机械振动的隔离具有很好的隔振效果。

管道的减振

在上述冷水机组、空调机组和水泵中,连接管道的管径和质量一般较大,应在管道和设备的进出口设置落地支架。在设计中,设备进出口管道有相应的减振接头(最常见的是橡胶软接头和波纹管补偿器),但为了提高减振效果,与设备相连的管道支架应采用减振支架。

弯头或水平管落地减振支架。

由于立管一般用于水泵立管,立管质量大,需要落地减震支架。在落地支架和钢管之间增加一层橡胶减振垫,并使用弧形钢板作为支架。为达到理想的减振效果,应选用成品SD橡胶垫,而不是普通橡胶板。该减振支架具有安装灵活、设置方便的优点,特别适用于冷水机组的进出口接管。

高空管道吊装式减振:

在高空布置管道时,还应采取一定的减震措施。橡胶软连接应安装在中间,吊架安装时,最好采用槽钢支架或圆钢穿透地板的形式,不符合条件的可采用局部加固方法。


管道减振

管道安装吊式减震器

在施工过程中,管道的减振不应因设备的减振而忽视。管道的减振是为了更好地配合设备的减振,减少设备运行和流体运动对基础和支撑吊架的损坏,防止管道共振,避免管道支架与地面、结构梁和结构柱之间的裂缝。

结论:

采用减振措施是设备和管道长期安全运行的必要条件。一般来说,减振方法的设计没有严格的规定,施工单位的技术人员应根据实际情况进行选择。

【相关推荐】

咨询热线

400-116-0098